Корзина:
Очистить
02.03.2012

Новинка в ассортименте продукции – алюминиевый профиль для светодиодных лент

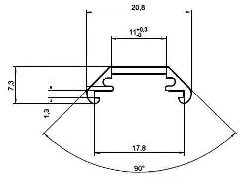
С помощью профиля можно создавать светильники, одинаково удобно крепящиеся как к плоскости (под углом 45 и 90 градусов), так и во внутренних углах конструкций с помощью двустороннего скотча или саморезов. В профиль можно вклеить светодиодную ленту шириной до 11 мм и вставить пластик поверх ленты толщиной 1мм различных цветов, выполняющий декоративную и светорассеивающую функцию. Профиль имеет специальные пазы для укладки проводов. Благодаря тому, что профиль изготовлен из алюминия, обеспечивается лучший теплоотвод.
 
© 2008 — 2017   SkyStyle
Все права защищены
skyled.com.ua Светодиодные технологии №1 в Украине